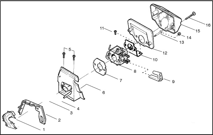
Прокладка карбюратора до бензопил Hu, JO, Хуск (5300191-72)
Прокладка карбюратора до бензопил Hu, Jon.
Використовується в моделях бензопилс Hu: 36, 41, 136, 136 LE, 137, 137 E, 141, 141 LE, 142, 142 E;
Jon: 2036, 2040, CS2040
Самовивіз: З пункту видачі товару в м. Чернігів*
* Після оформлення замовлення товару та узгодження часу відвідування пункту видачі з менеджером магазину
По Україні: Кур'єрськими службами - Нова пошта, Ін-Тайм
Пункти видачі товару:
Чернігів: вул. Захисників України, 9, оф. 204
Є питання? Телефонуйте! Пишіть!
Київ: (044) 384-03-54 Чернігів: (063) 833-67-71
Мобільні: (050) 733-00-41, (098) 049-05-74, (063) 833-67-71
Електронна пошта: info@hozmart.com.ua




































Слідкуйте за нами